图知网
搜索
首页
热门推荐
图片分类
西海情歌电子琴降b调伴奏 刀郎 电子琴谱 简谱
下载原图
相关图片
西海情歌吉他谱
西海情歌c调简单版抖音热歌双手简谱预览1
西海情歌简谱-刀郎-这是一个流传在西海的爱情故事1
西海情歌 降央卓玛 歌谱 简谱
西海情歌智能简谱
46,西海情歌
为你推荐
矢量卡通狼png素材透明免抠图片动植人物
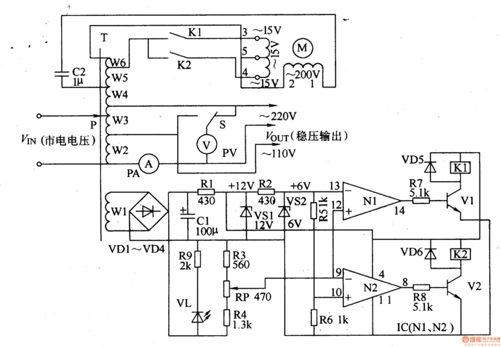
交流稳压器十三
感觉市面上真的很需要硬汉类男演员
00后学生头像,个性又可爱95
柳岩名_时尚_表演
天天向上20200329期王一博在线追星表情失控金瀚陈芊芊带你在线追剧
期末考试加油噢
烤四季豆