图知网
搜索
首页
热门推荐
图片分类
越南新娘8866婚介网简介
下载原图
相关图片
越南婚介网-越南相亲网-佳缘越南新娘网
越南婚介网-越南相亲网-佳缘越南新娘网
娶越南新娘 陪你到终生
越南新娘
三亚婚纱摄影口碑排名.三亚婚纱摄影哪家好 - 抖音
红线团15年专业婚介平台」「红线团独创熟人介绍模式」「红线团熟人介
为你推荐
"独孤骑者"李聪明穿越羌塘失联后续
可爱女生头像戴眼镜小清新高清图片遇见错的人比孤独更可怕
男生典藏头像
logo 转载注明出处
晚上飞机场也是灯火辉煌
当然,如果你不是一位很喜欢打理发型的女孩子,那么我还是建议你想朱丹
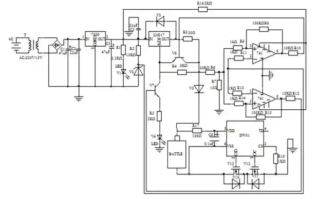
5v手机充电器原理图(三款充电器电路原理图详细)
x光安检机下的春运行囊,万千物品"原形毕露"|春运|违禁品|安检_新浪