图知网
搜索
首页
热门推荐
图片分类
海底世界高清壁纸梦幻水族馆屏保图片壁纸下载
下载原图
相关图片
壁纸海底世界
海底世界珊瑚礁4k壁纸
海底世界唯美高清电脑桌面壁纸
海底珊瑚鱼群唯美图片高清桌面壁纸
海底世界鱼群摄影高清图桌面壁纸
唯美海底世界高清桌面壁纸
为你推荐
星空简笔画抬头仰望星空会看到不一样的风景夜晚彩色儿童简笔画夏天
男士西装模板图片
狗狗滴滴按钮表情包
勉强微笑表情包【点击鼠标右键下载】
自用12promax512金色后盖碎裂90万
阴阳师姑获鸟皮肤阴阳师姑获鸟皮肤评价赏析以及获取方法介绍
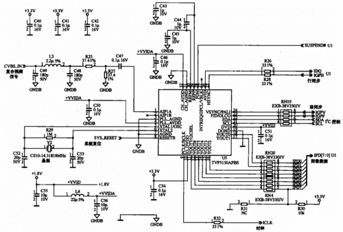
视频编解码电路