图知网
搜索
首页
热门推荐
图片分类
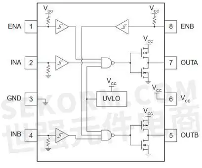
abb变频器驱动电路图
下载原图
相关图片
直流电机h桥驱动电路
一种全彩led驱动电路的设计方案
ds4422ds4424应用电路图
ada4424-6的输出驱动器提供轨到轨输出,增益为6.2 db.
产品45v35v工作电压的ix4340ix4424g双低侧mosfet驱动器助力高频和高
mos管驱动芯片原理
为你推荐
干锅麻辣虾
七号码头蒸汽海鲜图片 - 第2张
风光霁月高冷少年|古风动漫男头|男生头像 #画画的日常# #古风头像
成熟稳重高端头像男
中央和国家机关职工运动会足球比赛开球
手指上的斗和簸箕都是什么寓意?一斗穷二斗富,三斗四斗
2017夏季新款文艺宽松大码棉麻连衣裙中长款
长尾大蚕蛾我怎么这么好看