图知网
搜索
首页
热门推荐
图片分类
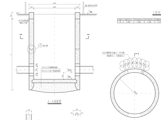
各类沉沙井的施工大样图
下载原图
相关图片
哪位大神知道图集02s515133沉泥井的钢筋用量急拜谢
广东沉井法工作井需要套哪些定额?-服务新干线答疑解惑
沉井施工图文详解好资料
沉井法施工检查井
某地区道路沉井cad设计大样图纸
检查井,沉沙井设计图
为你推荐
超好看成熟真人暗黑系男生头像大全
我国高铁列车车体已用到高分子复合材料
高乐小区 普通住宅 小区图片仅供参考
上海深空探测技术重点重点实验室
中石油2019年将继续加大勘探开发力度!
祥哥剌吉公主的雅集
沙雕人物插画风格表情包
推不倒的胡呼呼