图知网
搜索
首页
热门推荐
图片分类
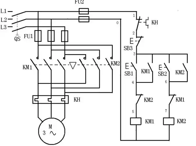
三相异步电动机接触器按钮双重联锁正反转控制电路
下载原图
相关图片
展开全部 如图就这样,两个接触器做好互锁就好.
互锁电路 - 知乎
平头按钮开关在电路中可以利用它的常闭点来进行互锁,典型的有按钮
什么是互锁电路?
两个电动机互锁的电路图.要求电动机m1启动时m2停止,m2启动时m1停止.
按钮互锁 接触器互锁的接法 最好有图 谢谢
为你推荐
孟庭丽一生未婚50岁时因拍戏劳累而亡器官捐献救了8条人命
火柴人手翻画冰元素教程
没有人能逃得过邓伦魔尊的诱惑!
倪妮因出演张艺谋导演执导的电影《金陵十三钗》中妖娆多姿的"玉墨"一
蒋勤勤海边大片释出 亦柔亦飒散发女性魅力
情侣头像男生拿手机挡脸拍照头像 人生若只如初见2022复古氛围情侣
武汉钢结构焊缝检测超声波探伤
漫画步骤图人物