图知网
搜索
首页
热门推荐
图片分类
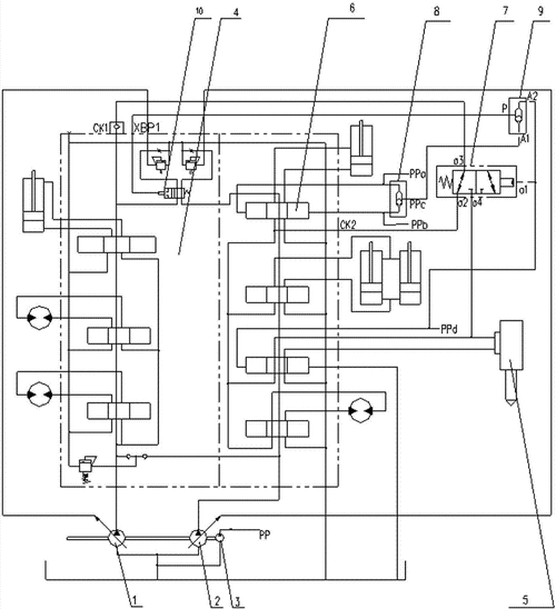
volvo挖掘机液压系统原理图
下载原图
相关图片
挖掘机液压基础知识(详解)ppt
挖掘机液压系统ppt
图1是液压挖掘机系统的简化工作原理图
cn102704525a_一种挖掘机液压回路有效
挖掘机行走液压系统工作原理及行走跑偏检修方法
ex400型全液压挖掘机液压系统工作原理图
为你推荐
法国国王路易十六
倒计时两天场景插画pngpsd2000*2000白玉兰花手绘花卉pngpsd2000*2000
初春的西宁雪花飘飘万物皆静
【微友求助】微信误转账1000元,对方已收钱,却瞬间被拉黑?
庄周梦蝶黄粱一枕28句淡泊名利诗词人生如梦参悟放下执念
英寸和厘米的换算
流彗梅西球衣巴萨19-20赛季巴萨主场梅西10号印签签名球衣足球服上衣
彼岸花 1341 2015-11-06 发布 分类: 同人 标签: 中秋比画 角 二次元