图知网
搜索
首页
热门推荐
图片分类
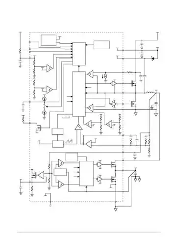
低噪声音频前置放大电路
下载原图
相关图片
启达启臣微cr5218sa低成本方案做5v0.6a非标
采用三菱低噪声双运放m5218l的mm唱放
> ncp5218 (on semiconductor) 2−in−1 notebook ddr
启达启臣微电源芯片cr5218sascsdsesg应用指导书
两级运放仿真电路图
启达cr5218做5v21a兼容lp3668lp3669
为你推荐
七彩文韵云南儿童文学作家汤萍发表四季月夜吟七夕静夜思两首长诗
金钟国偷晒恋情?宋智孝洪真英原来输给了她_熊孩子_我家_身材
双马尾背影女头
三丽鸥创可贴
妇好真的使用七十斤的青铜斧吗_妇好使用兵器介绍_野史秘闻 - 麒达
从敦煌往西经过哈密然后到吐鲁番,共500多公里的路途
济南:9元泰山"白将军"涨到10元 - 烟草市场
23|余姚金冠村网红瀑布打卡 浙东小九寨戏水……_活动_金岙_景区