图知网
搜索
首页
热门推荐
图片分类
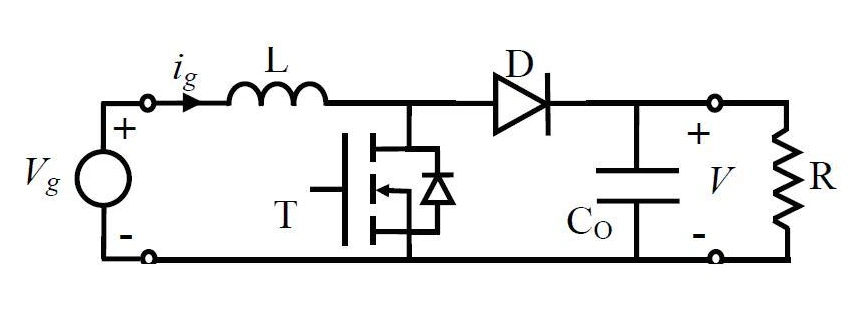
boost电路解析ppt
下载原图
相关图片
boost变换器的主电路怎么画?
文档下载 所有分类 工程科技 电子/电路 > boost变换器原理第1页 下一
boost升压电路
boost电路仿真模型/buck-boost/boost pfc/asio 仿真程序 matlab
学习笔记:简谈boost升压电路
(2)能实时监测和闭环控制输出电压,电流,单片机pwm控制boost电路输出
为你推荐
古风人物简笔画女撑伞绘画只需一只铅笔就能画系列简单入门铅笔画人物
若芽色正绢反物峰绞染京友禅
昌宁高速公路的开工建设
【人像习作】------我是女生
提示本页面型月重工不适合未满15岁的读者
二十四节气
紫色香雪兰
022导弹艇:小身杀伤大,中国海军的"小蚂蚁"