图知网
搜索
首页
热门推荐
图片分类
水泵控制器水泵远程控制器
下载原图
相关图片
水塔自动水位控制器 导轨水位控制器df-96d水塔水井水池水泵自动抽水
水泵智能控制器 水塔水位控制器 全自动水泵控制器 0.37--2.2kw
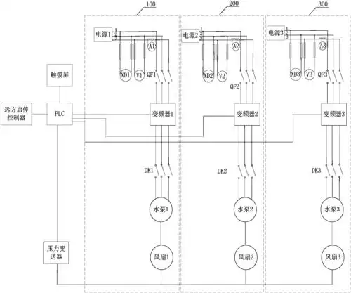
一种基于plc的河下水泵控制系统
手自动控制水泵供水和排水
正泰(chnt) 正泰液位继电器 全自动水位控制器 液位控制器水泵开关
全自动水泵水位控制器水塔智能上水浮球液位开关电子传感器220v
为你推荐
白衣女子独自坐在长椅上
熊猫人蘑菇人表情包向生活比个耶
画画真容易口诀学画一册pdf46页
没有什么是一盘干炒牛河解决不了的,有的话那就两盘!#创作灵感
静香 头像
探访舞蹈艺考生训练:男孩大叫,女孩疼哭|训练|基本功|艺考生_新浪新闻
雪中美女唯美冬日写真
德国杜伊斯堡过山车-2016 高品质壁纸