图知网
搜索
首页
热门推荐
图片分类
简谱:春晓
下载原图
相关图片
人音社一年纪下(简)《春晓》课件
春晓渌口区明德小学合唱团重新改编编配
《春晓》曲谱
春晓_简谱_用户传谱 | 搜谱——打造全国最大的歌谱搜索引擎
春晓(【唐】孟浩然词 钱久元曲)_简谱
谷建芬新学堂儿歌之春晓简谱-戴梓伊演唱1
为你推荐
8月16日,七夕情人节即将到来,浙江知名主持人沈涛晒出视频,甜蜜地秀
一年级数学下册八大专项之二|最大数的填写 一,100以内的填空题 二
每天都带着满面笑容的"小柯基"
广西分公司玉林白平产业园道路项目开展"最美办公室","最靓宿舍"评比
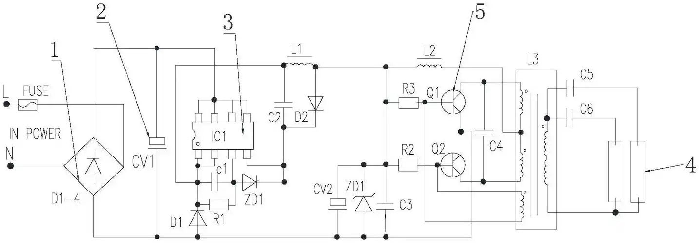
适用于宽电压的冷阴极紫外线灯驱动电路
红帝王蔓绿绒
临习 清代 王鉴 山水小品#国画山水 #中国画 #画画的日常
国外大师建筑手绘素描速写绘画350