图知网
搜索
首页
热门推荐
图片分类
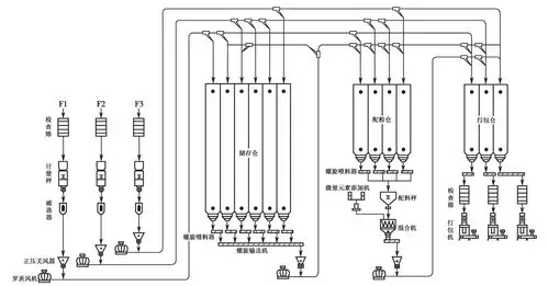
面粉生产工艺加工原理
下载原图
相关图片
小麦制粉流程图
专用面粉生产工艺流程图.doc
小麦粉基本生产流程及关键控制环节概述
图5-1 批量混合生产营养强化面粉工艺流程图
面粉加工工艺流程图及制粉工艺说明
谷朊粉生产三相卧螺工艺技术解析
为你推荐
纯棉女童内衣发育期小背心小学生女孩10大童儿童裹胸9-12岁13文胸
绽放·重生
柱间:斑 ,… 斑:…我的喜欢是这种喜欢
生日快乐彩英生日头像第二弹
中国茶文化绘画插画海报
特价门票土拨鼠俱乐部超走心的高颜值剧场式儿童乐园可爱萌宠还有精致
克迪利尔吡喹酮片02g100片
暑假班开始招生啦宣传海报背景