图知网
搜索
首页
热门推荐
图片分类
艾米莉亚
下载原图
相关图片
本站教程资源,画集均来自网络分享,仅供个人学习试看使用,切勿用于
跟着大佬第二次画,第二次给了爱蜜莉雅
艾米莉亚p站
临摹 从零开始的异世界生活 艾米莉亚
【指绘】艾米莉亚 上色 没有什么是填色完成不了的
从零开始的异世界生活艾米莉亚
为你推荐
韩式男生前刺发型 清爽利落巨显帅_男士短发 - 美发站
9种简单的涂法表现出你的嘴唇
762022北京冬奥会主题绘画儿童画
我喜欢你聊天表情搞笑图片表情
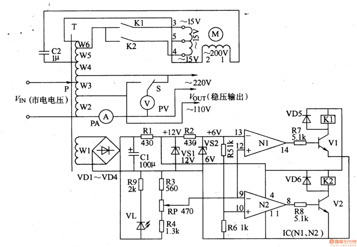
该交流稳压器电路由稳压电路,电压检测控制电路和调压输出电路组成
剪影,头像,黑白图片
首先得提提《千里江山图》风格的手绘建筑
《归去来兮辞》写意之二