图知网
搜索
首页
热门推荐
图片分类
oppo watch 表盘动态壁纸
下载原图
相关图片
oppo watch 表盘动态壁纸
oppowatch表盘动态壁纸
万物皆可盘 - oppo watch 星空动态表盘
珍惜时光oppowatch表盘设计
oppowatch表盘设计热爱生活丰富多彩
oppo手环2表盘03
为你推荐
毛晓彤清新甜美的初恋短发女生短发发型
伤感女头侧脸 韩系高清低头伤感头像图 - 女生头像 - 潮人个性网
古力娜扎照片中一袭黑色深v礼服,优雅又酷炫_品牌_珠宝店_造型
来一波喝酒约酒表情包斗图
columbia哥伦比亚户外22春夏新品女城市户外防水休闲外套wr0360
微信又迎来巨大的变动,在提现收费之后,另一个项目或也要收费了_转账
龙珠超应景图:悟空超级赛亚人蓝形态
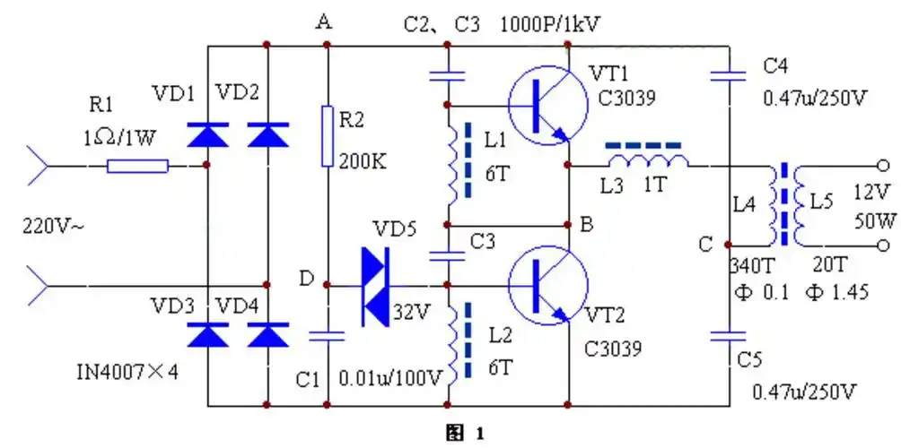
12v电子变压器电路图(电子变压器原理及作用)