图知网
搜索
首页
热门推荐
图片分类
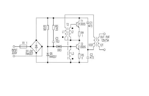
可调led灯电源驱动电路
下载原图
相关图片
1 变压器设计高频变压器设计应注意: 1)在高频变压器设计中,在状篌
石英灯电子变压器电路图
石英灯电子变压器电路图
两款石英灯电子变压器电路简析与维修
卤素灯电子变压器
电子变压器的电路原理图
为你推荐
瑞典85后女演员艾丽西亚·维坎德
大片既视感跑车横版高清壁纸
2020风景头像图片大全 唯美 山水 最美
年关将近洞庭湖湿地毒杀候鸟现象频发图
延时断电继电器价格
约会大作战 #冰芽川四糸乃 #二次元少女 #二次元壁纸 - 抖音
卡通爸爸头像 😊温馨可爱
鹤庆现代口腔诊所