图知网
搜索
首页
热门推荐
图片分类
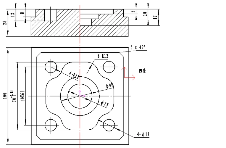
数控铣练手图纸经典练习图纸doc18页
下载原图
相关图片
数铣实操图纸_第1页
求数控铣床工艺品加工图纸三视图都有的那种
数控铣工图纸60份
数控铣床加工中心软件应用图纸例题06
数控铣床加工中心图纸
数控大赛数控铣加工中心图纸大全
为你推荐
最新抖音热门壁纸2022抖音最近很火的图片
蒋毓玮, 任希鸿, 邵老五 饰演 孙莉莉 10 导演 鲍强 主演 许还山
神雕侠侣黄晓明 饰 杨过刘亦菲 饰 小龙女
橙色机械物png素材透明免抠图片-卡通手绘
下午茶时间莉莉罗舍福尔铁拳介绍
乐高齿轮崩了
蝎子精|8|81
内蒙古自治区,地处中国北部边疆, 全区总面积118.