图知网
搜索
首页
热门推荐
图片分类
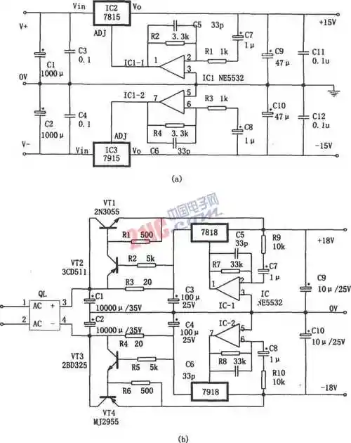
适当加大2030的散热器,所以你同样可以用三端稳压7815和7915来稳压
下载原图
相关图片
求解金封7815/7915的引脚识别
l7815cv 和 l7915cv 的输入 输出 接地 分别是哪个引脚
有源伺服电源(7815,7818,7915)
lm7815与lm7915做成的电源,7815发热非常厉害
普通7815应用电路分析
lm7815和7915组成的双15v电源电路图
为你推荐
白衬衫搭配森林,大海,玄彬随意撩发都迷人!
肖战超话[暴发虎]78正月初五迎财神78[暴发虎]新年财运亨通发大财
李一桐高清壁纸头像(九)[鼓掌]
青苹果
点p到圆o上的点最大距离为7cm,最小距离为1cm,求圆的半径
中央空调栅栏空调格栅加工铝合金百叶窗更-江苏金奇盾建筑材料有限
孙艺宁蘑菇街写真曝光简单时尚解锁秋日新穿搭
据俄罗斯塔斯社的报道,俄罗斯海军将终止最新型军舰—20386型隐身护卫