图知网
搜索
首页
热门推荐
图片分类
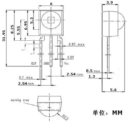
红外线遥控接收头型号及参数
下载原图
相关图片
一体红外线接收头的引脚图及检测
用一体化红外接收头制作的遥控接收电路
红外接收头引脚图及结构
机顶盒用红外线接收头,抗强电磁干扰,远距离接收
红外接收头引脚图
信捷plc的端口引脚说明在《xd系列可编程序控制器用户手册(硬件篇)》
为你推荐
杨紫ins营业真美啊,没有刘海长发披肩,灰色短裙套装搭长筒鞋,状态真好
0857 1982年作 山鬼图 立轴 纸本
透视秦羽修行路三大血战历程
【游戏王dl】翼神龙降临-下回:城之内之死!
常见原发性腹膜后肿瘤影像诊断及鉴别诊断
东海问题
图片来源:哔哩哔哩弹幕网借用罗翔老师的话来说:建设法治社会,最重要
文殊菩萨0599 印尼沉香纯手工雕刻而成,精雕细琢,文殊菩萨的形象