图知网
搜索
首页
热门推荐
图片分类
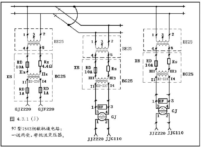
25hz轨道电路叠加二线制及四线制zpw2000电码化甩开方法
下载原图
相关图片
25hz相敏轨道电路调整注意事项及方法
25hz相敏轨道电路一送二受电路原理图
25hz轨道电路配线原理图及调整表
25hz相敏轨道电路故障处理
25hz轨道电路.ppt1
25hz轨道电路叠加二线制及四线制zpw2000电码化甩开方法
为你推荐
微信头像图片男成熟稳重高清,微信头像图片男成熟稳重眼镜
已售深圳长毛蓝白弟弟蹲新家
我爱大自然儿童画
困牛山:四场穿越时空的"对话"_石阡县
小狮子和小兔子
男生动漫壁纸
怪兽power《怪兽勋章》-星沉太洀最新章节-免费小说-全文免费阅读-星
春夏秋冬图片_春夏秋冬图片大全_全景图片