图知网
搜索
首页
热门推荐
图片分类
用tl431制作大功率可调稳压电源的应用
下载原图
相关图片
tl431可控精密稳压源原理及多种经典应用电路介绍-电子发烧友网
求助multisim仿真tl431电路,导致阴极没有电流,光耦也没有电流
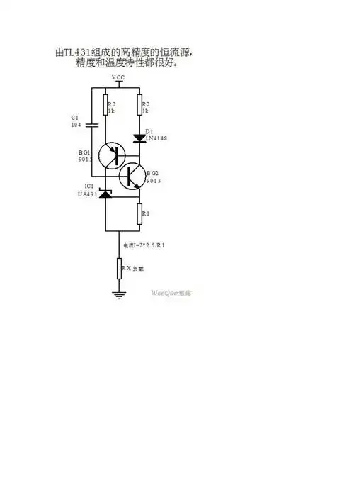
由tl431组成的高精度的恒流源电路图
tl431可控精密稳压源原理及多种经典应用电路介绍-电子发烧友网
tl431稳压电路,10v输出,24v输入
基本并联稳压电路原理由功能框图知,ref脚和阳极之间电压为2.
为你推荐
最近内地有调查报告公布中国电视剧女演员top 100片酬榜,酬劳最高的
朗龙音响
耿为华与郑佳结了婚,被父爱12年,为什么老婆非要离婚
天龙八部大理段氏是否真实存在?光绪丁酉年《段氏族谱》为你解密
图文:撑杆跳高女皇打破世界纪录 期待观众掌声
打开uml类图的正确姿势
一夫当关万夫莫开描写的是哪个关口的险峻一夫当关万夫莫开什么意思