图知网
搜索
首页
热门推荐
图片分类
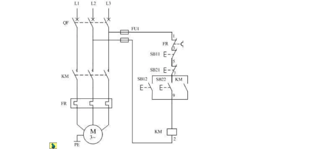
电动机两地控制原理图
下载原图
相关图片
三相异步电动机一处控制开始一处控制结束的电路图怎么画
电动机两地控制电路原理图
电动机两地控制电路原理图word精品
求两地控制电路图,最好解答下
电动机两地控制电气原理图
试画出能在两地控制同一台电动机正反转的点动控制电路图
为你推荐
痞帅魅力的朱亚文
2024·清明祭英烈丨网络祭扫 云端遥寄哀思
可可憨憨头像
2016年5月五菱双排小货车1.
庄达菲
那肩膀,毫不犹豫地挑起了家庭的重担;父亲的爱,深沉,伟大,让我在父亲
音乐流行钢琴曲简谱doc
埃菲尔铁塔图片唯美,高清图片