图知网
搜索
首页
热门推荐
图片分类
猫眼短评熊出没之夺宝熊兵
下载原图
相关图片
熊出没之夺宝熊兵
当在熊出没夺宝熊兵中加入生命值(5)
《熊出没之夺宝熊兵》
由国际在线专稿:真3d卡通大电影《熊出没之夺宝熊兵》,继1月17日公映
第06集 《熊出没之夺宝熊兵》:老爷爷为小女孩留下的宝物是什么?
p>影片《熊出没之夺宝熊兵》是《 a target="_blank" href="/item/熊
为你推荐
星褚:女生头像/动漫/星光不问赶路人,时光不负有心人.
强心,利尿:西地兰0.4mg,速尿20-40mg4.
78端午吃粽子的习俗源远流 - 抖音
"朴实无华型"春联都在寝室门口张贴了哪些创意春联吧看看脑洞大开的
邢台有哪些区县_360问答
攀登高峰的小人png素材透明免抠图片其他元素
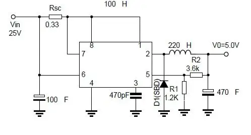
麻烦电子技术高手帮我解决一个34063降压电路问题
农村三间两层楼房设计图,符合80后的审美,年轻人建房不用愁了