图知网
搜索
首页
热门推荐
图片分类
电脑废了最近做不了60帧了谅解#泰迦奥特曼 #新生代奥特曼
下载原图
相关图片
平成奥特曼新生代奥特曼
豆瓣高分93直接追平迪迦我愿称之为令和最强奥特曼
80后90后的集体回忆奥特曼54岁了
奥特曼55周年海报,欧布:一家人合影总有个拍照的,你说是吧高斯
奥特曼变身大合集
奥特曼并不幼稚,细数那些喜欢奥特曼名人,你都知道谁呢?
为你推荐
花儿与少年 华晨宇 花花q版人物图片电脑桌面壁纸下载
非常适合女生的唯美后背纹身图案大全4
【图】演员何琳老公是谁 她真的是陈坤儿子生母吗
女生头像‖萌萌哒兔耳少女.#动漫女头 #二次元 #好看的头像 - 抖音
【拜复乐 盐酸莫西沙星片】价格_功效与副作用_说明书-康德乐大药房
4 关晓彤披金色大波浪 大长腿依旧抢镜
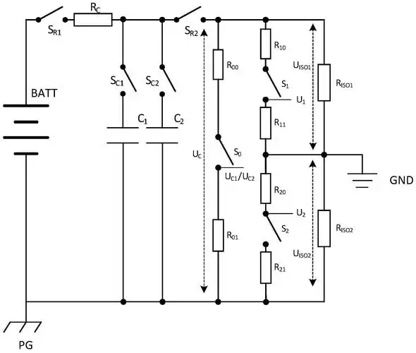
一种动力电池的绝缘电阻检测电路及其控制方法
完成下列填空:(1)写出制备乙酸乙酯的化学方程式_______.