图知网
搜索
首页
热门推荐
图片分类
亚明jlzbe2000z接线图_接线图分享
下载原图
相关图片
两线制总线控制器探头接线图
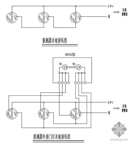
内容简介 资料介绍了探测器并联接线及探测器外接门灯并联接线.
报警系统与探测器接线方式图解
探测器接线图
所有分类 氧化锆氧量分析仪中文用户手册 烟气流向 图10:探头过滤器
etbls防溢流防静电探头
为你推荐
高清壁纸无水印#唯美古风壁纸
这谁顶得住啊!36岁刘亦菲,饱满性感韵味十足!
早上好表情包最新,健康吉祥!早安吉祥如意!_祝福_人人_心愿
森林舞会2安卓版
『平板壁纸』人间处处是风景
圣墟要完结时隔一年辰东曾放出的豪言如今终要实现
海骏达城超5a甲级写字楼群,以开放,引领的姿态,融汇区域高端商务价值
美女歌星汤灿唯美写真