图知网
搜索
首页
热门推荐
图片分类
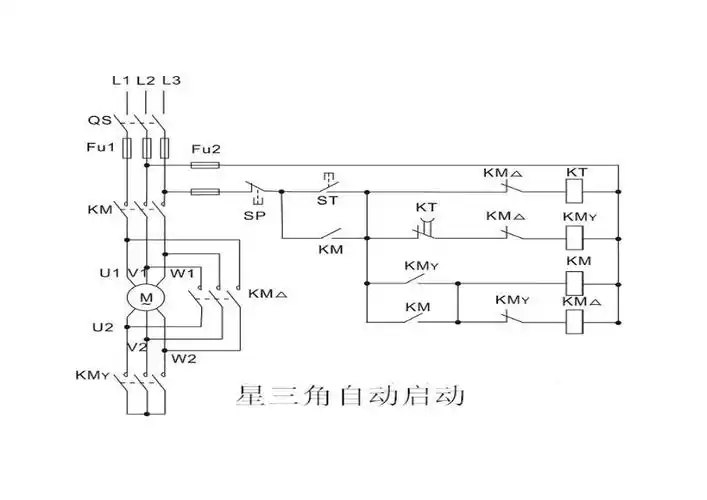
星三角启动接线图
下载原图
相关图片
星三角启动 详细接线图,#星三角启动 控制电路!#星角降压 - 抖音
电动机星三角降压启动自动控制线路
电工星三角降压启动接线你学会了吗
星三角启动电机接线图
星三角启动原理及接线图
星三角降压启动控制线路
为你推荐
你喜欢的蓝胖子竖屏手机壁纸
猫咪最可爱的搞笑又带有猥琐的表情包失去一个人最快的方式就是靠得太
文森佐变bl剧宋仲基色诱金圣喆kiss摸脸掳获男心腐爆
格力电风扇怎么样质量好吗
有割手腕的ps教程吗
哈咪猫招财猫卡通图片桌面壁纸高清大图预览1920x1200_卡通动漫下载
娃之恋芭比娃娃,超级可爱!手工制作,关节灵活,穿上古装更是美 - 抖音
大雕展翅散热无死角技嘉aorusrtx30显卡放大招