图知网
搜索
首页
热门推荐
图片分类
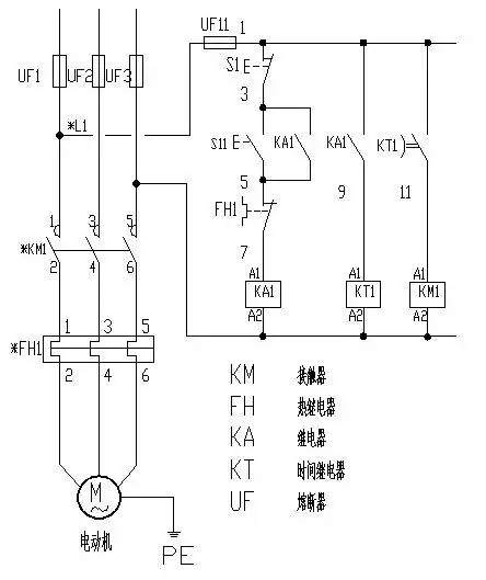
通电延时和断电延时电路接线图
下载原图
相关图片
求一个断开延时电路图
断电延时带直流能耗制动的y—Δ启动的控制电路接线图
一种延时断电停机的接线图,按下启动后,时间继电器会到达设定的
延时启动自动延时停止控制电路
求电动机5秒延时启动电路图和原理.
断电延时继电器时间继电器怎么接线
为你推荐
人气七天猛涨的十大75后男明星林峰杨子周杰伦位列三甲
疯狂的赛车演员表(主演)
刺客伍六七!超好看国产动漫 - 堆糖,美图壁纸兴趣社区
林允
战国无双 里面人物的关系谁能总结下!
人性心理学全文阅读_人性心理学免费阅读_百度阅读
好冷啊,妈的表情包 - 这天气真特么冷(蘑菇头) - 日常表情包
四川大竹三天两人溺亡