图知网
搜索
首页
热门推荐
图片分类
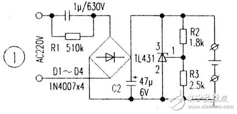
简易4.2v锂电池充电电路
下载原图
相关图片
自动停充的充电器电路图
七款经典4.2v锂电池充电电路图详解
求锂电池4.2v满电指示电路图.谢谢
环高usb镍氢自停充电器原理图
42v充电器充18650问题
七款经典4.2v锂电池充电电路图详解
为你推荐
早上好祝福语和图片适合群发的早上好表情简单句子2019
首批上市艺术家,张善平举办九秩画展
好看网图男生头像可爱真人清纯男孩高清微信头像图片
好多關於荷姐以前的東西~找到一些喜歡的照片很開心9999#关咏荷
推荐3本偏黑暗的武侠小说,主角一心为己,为达目的不择手段
多彩清新千纸鹤图片
卡通人物思考
陕化新区幼儿园芽芽班手工美篇《乒乓球拍》