图知网
搜索
首页
热门推荐
图片分类
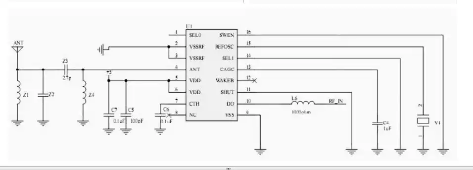
532nm绿激光的原理结构
下载原图
相关图片
(红绿蓝)三合一激光笔
关于激光笔的原理图,看不懂,求讲解
义乌宏杰电子(激光笔)
一种激光笔
手持激光电路
mpt-105迷你翻页激光笔定制多功能电子激光笔usb无线演示器
为你推荐
十二星座爆发后谁最恐怖
中国十大美女排行倪妮恃美行凶杨幂万种风情第一才是人间难得
不会是背影杀手吧#街拍美女
吴建飞
可以说该节目汇集了国内顶尖的喜剧团队,虽然演员们换了很多,但人气
白色紧身裤少妇
周六福珠宝招财猫足金3d硬金黄金转运珠男女款定价a1610417约07g
们帅气亮相,要准备拍龙年全家福啦78玲娜贝儿和奥乐米拉友爱互动