图知网
搜索
首页
热门推荐
图片分类
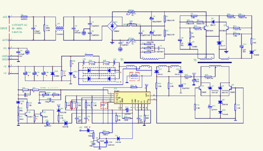
24v2a开关电源原理图和pcb文件
下载原图
相关图片
24v6a双端正激开关电源原理图
图2 24v/40w电源电路
开关电源24v 14.6a电路图
6条原因解释,24v开关电源电路的工作原理_电压
分类:工程技术科学 请问谁有220v转24v开关电源原理图?
谁帮我分析分析这个150w 24v开关电源的原理,为什么会用两个变压器,好
为你推荐
周杰伦的老照片
今日份表情包精选,拿图互动
颜丹晨
2019落肩连帽卫衣 糖果色宽松卫衣潮牌oversize薄款毛圈厚款加绒
国际家庭日晒晒小动物们的全家福 温情满满好治愈
白蜘蛛
born to die-lana del rey双手简谱预览3
幼儿园宝宝离园简笔画