图知网
搜索
首页
热门推荐
图片分类
裴珠泫太美了.王嘉尔帮裴姐解围之后 姐姐看他眼里都是光
下载原图
相关图片
看到王嘉尔帮裴珠泫解围这一段,谁遇到能不心动啊?
irene #裴珠泫 #王嘉尔 #绅士
热心市民王嘉尔现场有sense的保护受骚扰的#裴珠泫,整一个大暖男很难
王嘉尔 裴珠泫
irene #裴珠泫 #王嘉尔 #绅士
王嘉尔
为你推荐
蜡笔小新小新玩竹蜻蜓了厚
简笔画215蒲公英
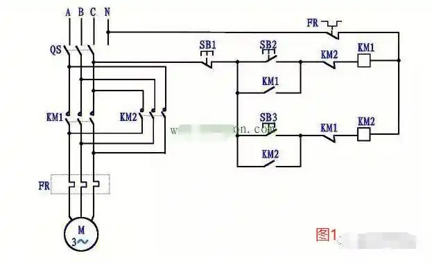
电机正反转电路图原理图解电工操作证
番薯怎么画的
大清嗣天子宝 #清朝25方印玺# - 抖音
一起来画擎天柱吧变形金刚马克笔彩铅
大象简笔画教程 大象简笔画画法
全球最美大学之一,历史悠久景色堪称一绝