图知网
搜索
首页
热门推荐
图片分类
自藕变压器降压启动线路工作原理
下载原图
相关图片
降压启动电路图
星三角和自耦降压启动电路图
星三角降压启动配电箱电机减压起动器三相380v风机降压启动控制柜
按钮手动控制——星三角降压启动——主电路接线
采用电阻降压启动的电动机控制电路
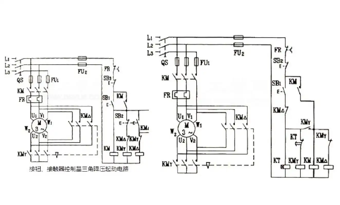
三相电动机星三角降压启动控制电路图解2 下图所示为时间继电器自动
为你推荐
农民工·我的兄弟姐妹·艰辛创业路
桃花朵朵开桃花节
荒野行动pcplus黑屏闪退修复补丁
云顶之弈11.10英雄羁绊图 全英雄技能属性羁绊一览_木瓜攻略
苹果6怎么把桌面 软件图标弄小?
七夕冷知识喜鹊为什么在这天给牛郎织女搭桥
斗图gif打人啦gif打人啦gif群殴gif
komorebi简谱