图知网
搜索
首页
热门推荐
图片分类
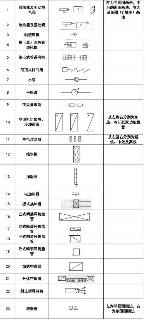
收藏!超全cad图例符号画法大全,看过的都收藏了
下载原图
相关图片
(2)电气cad施工图例三,电气图形常用图形符号及画法使用命令
各种类型的智慧灯杆安装大样图,cad格式
太阳能路灯安装大样图,cad格式
电气施工图常用符号,你至少得掌握90%
4.街道上的各式标志路灯 5.乐器 6.健身房的器具 7.卧室的各种床铺 8.
收藏!超全cad图例符号画法大全,看过的都收藏了
为你推荐
刘德华出道40周年 #永远的偶像刘德华 #刘德华高清图片 - 抖音
实拍月亮,效果好不好你们说了算
东北一家人第二部
上面为大家带来的是十二星座的卡通动漫形象的绘画教程,重点是对十二
太阳晒黑有个女人躺在海滩上背景
还有个挺糟糕的,右脚脚踝咳咳响,开始痛.
wsalbb 种菜 别名:水瓜,无棱丝瓜,蛮瓜 种植季节:2-3月(南方2-8月均可
【携程攻略】泉州清源山适合朋友出游旅游吗,清源山朋友出游景点推荐