图知网
搜索
首页
热门推荐
图片分类
白敬亭 徐坦 荣耀乒乓
下载原图
相关图片
白敬亭电视荣耀乒乓##白敬亭徐坦
白敬亭 #白鸽 #荣耀乒乓 前段时间看完了荣耀乒乓徐坦真帅 - 抖音
白敬亭 徐坦 荣耀乒乓
白敬亭 徐坦 荣耀乒乓
白敬亭 徐坦 荣耀乒乓
白敬亭 徐坦 荣耀乒乓
为你推荐
身高差20厘米kiss是什么体验?
妈咪们学会这几道吉祥鱼菜,摇身一变麻辣小厨娘
头像‖超酷的黑暗系男头 - 绿色下载站
九州·海上牧云记 苏语凝 徐璐
{展昭 — 严屹宽饰演} yin {五鼠闹东京} gif
塑料袋制作的白雪公主裙 白雪公主裙,环保时装秀走秀演出服,每个宝贝
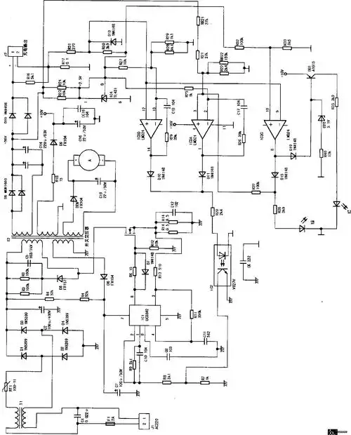
电动车充电器电路原理图
可爱的派大星来喽