图知网
搜索
首页
热门推荐
图片分类
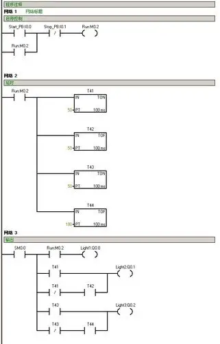
plc有3盏信号灯,按下启动按钮后,每隔1s亮一盏,每盏点亮时间分别我1s
下载原图
相关图片
机电之家首页 plc技术 plc应用 西门子plc应用 >> 基于siemens-plc
plc电机正反转梯形图 梯形图电机正反转自动运行plc编程
小车的自动往返控制梯形图(plc西门子)
西门子s7200plc红绿灯控制的一种写法交通信号灯梯形图附程序下载
西门子s7-200 224cn的梯形图解析
plc 西门子的 梯形图编程 求指点
为你推荐
曲意奉承不可取打一港台歌星(曲意奉承不可取打一港台歌星两字)-第6张
中文名称碧蓝航线格拉夫齐柏林沙滩的乌尔德ver
自截白熊头像
颖儿说要把握好每次机会
某工程项目电梯门套部分节点构造详图
lgk-100等离子切割机配件松下款p80切割枪割把枪头4米8米13米20米 p80
黑暗骑士joker头像【点击鼠标右键下载】
中央纪委首次公开内部机构设置