图知网
搜索
首页
热门推荐
图片分类
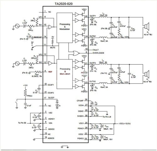
经典功放电路图——功放电路图详解
下载原图
相关图片
合并功放电路图
多媒体hi-fi功放_原理图论坛_单片机电路论坛_mcu资讯论坛 - powered
pam8403/cs8403小功率3w双声道d类音频功放【耳机】电路图
各种类型胆机功放电路图;希望有你喜欢的一款
音频功放电路图ta7368p--348个实用电路图大全系列
几款用的较多的功放芯片其中一款流行了很多年一款只能听个响
为你推荐
早上好,最新漂亮早安图片带字精选祝福语,群发暖心的问候语录.
迪丽热巴少见酷系中性穿搭真帅和华晨宇站一起看着都很酷
简约小清新静物图片电脑桌面壁纸,风格壁纸,唯美,小清新,创意,高清
粉色的玫瑰花图片第3张
铠甲勇士
县委副书记尹永彪主持会议.
男生异瞳酷帅动漫头像
新时尚男发21款,我最爱最后一款,你爱哪一款_男士_发型_造型