图知网
搜索
首页
热门推荐
图片分类
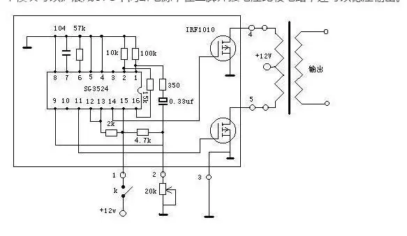
250瓦逆变器
下载原图
相关图片
电路图:求讲解这个逆变器的工作原理和图中的部件的作用是什么?
48v逆变器 原理图
电路采用tl494为振荡器,vt1~vt6为激励级,是输出为500w的大功率逆变
4069逆变器电路图cd4069逆变器电路图
逆变器控制与驱动电路图
正弦波逆变器原理正弦波逆变器的优缺点
为你推荐
江珊好有阔太的雍容贵气感一袭泡泡袖印花裙美得飘逸大气
传统剧目新意境 ——蒲剧《蝴蝶杯》观后_网易订阅
2024暑假哈佛大学马杜菲联合培养夏令营未来领袖之旅
奥运会现代五项 男子游泳_夏季奥运会简笔画
万能的黄龙,贝纳利黄龙600改装作品欣赏
万物皆可漆,以舞动之肌理,彰艺术之美!|玉雕|漆艺|漆器|大漆_网易订阅
包邮深圳小学英语课本教科书 英语 5五年级下册 上海教育牛津版
子宫脱垂是怎么回事?