图知网
搜索
首页
热门推荐
图片分类
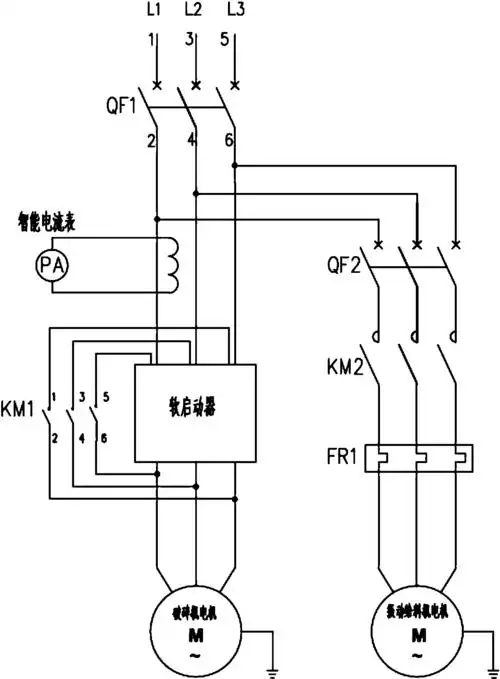
西门子控制器rwd60rwd68rwd62安装及接线图
下载原图
相关图片
一种自动控制给料机的电气控制系统
基于plc控制的自动送料装车系统组态画面毕业设计论文.doc
控制器接线图,!
ln965a型配料控制器接线图
自动送料小车控制系统plc毕业设计
d6控制器接线示意图.jpg
为你推荐
【板绘】王宝强夸张肖像漫画painter平涂画法,抓住人物特征想画的不生
由美头网整理发布,女生头像频道提供更多与纯欲,绿茶,干净,气质相关的
扦插牡丹吊兰做好3点,掐个枝叶就生根,猛长一大盆,好吃又好看
金智妮 jennie
新冠肺炎疫情防控和疫苗接种宣传海报5
黑色拉面美食中餐价目表/食品酒水单
中国旅游标志设计图__企业logo标志_标志图标_设计图库_昵图网nipic.
小抓夹韩国精致简约头顶发夹刘海夹蝴蝶结侧边夹发卡女夹子头饰一字细