图知网
搜索
首页
热门推荐
图片分类
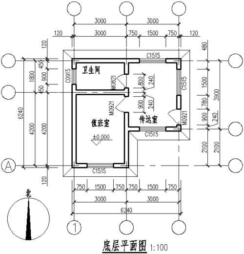
题825读底层平面图回答问题题825室外台阶的踏面宽度是标高是
下载原图
相关图片
118 从底层平面图可以看出,该建筑物东西方向的总长是()
平面布局手绘图
单元式住宅 底层平面图
底层平面图
在底层平面图上要画出
底层
为你推荐
白敬亭超话0899#白敬亭现在就出发#07竞速卡丁车?
中国民族乐器
素描写生过程可以分为5个步骤,首先我们要进行的是构图,动笔前我们
高跟鞋贴底胶是什么意思
天津总医院皮肤科苏云伟耳后较大皮脂腺痣分次切除手术
炎炎夏日,来一杯冰镇西瓜汁呀
线描装饰画
黄金分割是什么意思黄金分割在股市中如何运用