图知网
搜索
首页
热门推荐
图片分类
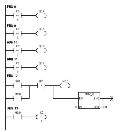
希望大神帮忙看看我这个梯形图对不对,是彩灯追灯,3次循环后自动停止
下载原图
相关图片
艺术彩灯造型plc编程接线及梯形图实验
plc彩灯设计
plc交通灯梯形图
plc实验舞台灯梯形图.doc
plc编程案例彩灯控制
彩灯控制程序梯形图
为你推荐
杨紫|《时尚芭莎》电子杂志2021年5月刊封面在礁石与瀑布构筑出的山间
世界矿产资源分布图
我说单根睫毛是大眼9215没人反对吧~单眼皮不贴双眼皮贴效果也
在《家有儿女》中演"夏雪"的时候,长了一张很可爱的小圆脸,有点婴儿肥
四边形的分类
恩施大峡谷景区游览路线通过微信购票可在游客中心三楼自助取票机
哪吒儿童画怎么画 哪吒简笔画画法
偏心异径管放样图