图知网
搜索
首页
热门推荐
图片分类
6张简单好画的冬奥会绘画图片-图1
下载原图
相关图片
北京冬奥会主题绘画
冬奥会儿童画
心系冬奥会一起向未来偃师区第三实验小学主题绘画作品展示
冬季奥运会的城市,有同学想要画一幅2022冬奥会绘画作品,但是又不知道
童绘冬奥东城区少年儿童为冬奥助力加油
北京冬奥会绘画
为你推荐
杨幂美图141
100元人民币是中国的法定货币,其真实性和伪造一直以来都是人们关注的
【jd健康】猴子药跖疣专用膏去瘊灵肉粒疙瘩拓疣鸡眼膏贴肉刺趾尤
杨洋#
2019黛螺顶_旅游攻略_门票_地址_游记点评,五台山旅游景点推荐 - 去
原创肝脏有癌手知道手上一旦出现3种症状肝癌可能离你不远了
《酒后更想你》简谱 北国作词 北国作曲 倪尔萍演唱 第1页
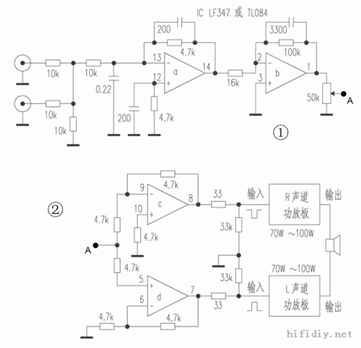
请教功放的桥接方法