图知网
搜索
首页
热门推荐
图片分类
美甲小短手的雾霾蓝77灰色竖渐变美甲
下载原图
相关图片
超适合海边的夏日灰蓝色美甲78
蓝色系美甲分享高级温柔
手绘古风花卉美甲显白蓝灰美甲
潍坊美甲|秋冬气质灰蓝色系美甲97
温柔是莫奈蓝灰色·气质晕染手绘美甲
夏天最不能错过的蓝色系美甲!超治愈~_克莱因_米来_纯色
为你推荐
原创高圆圆生娃后气质不减一袭碎花裙少女感十足一颦一笑仍旧妩媚动人
中国高压电磁阀
五十音图表 平假名和片假名表五十音 ra片假名
重装上阵 哥斯拉系列穆托
王尼玛表情包105p 完整版
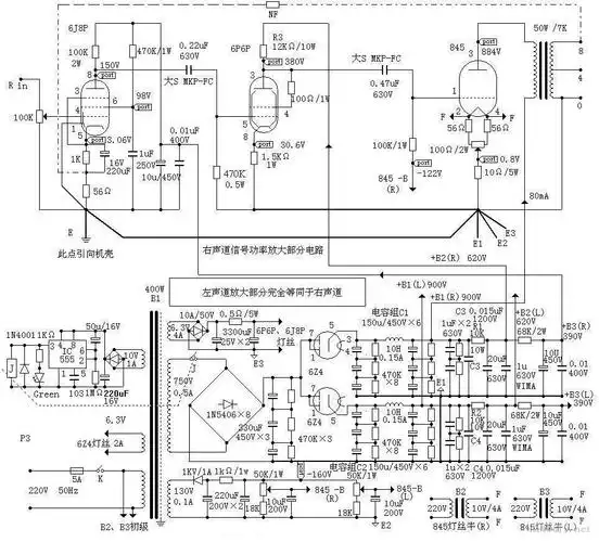
论坛技术讨论专区 69 胆机diy论坛 69 一款diy845单端功放电路
躲进你的身体溯拇指琴卡林巴演奏
2001年上海50拖拉机,价格8800元.