图知网
搜索
首页
热门推荐
图片分类
很烦很累的心情说说片,哪句最戳痛你的心?
下载原图
相关图片
伤感,创意,个性壁纸,伤感,悲伤,心累,累了,创意,个性,电脑壁纸,壁纸
心累有苦说不出说说图片
女人难过心累图片,伤心委屈难过心累的图片
人累了和心累了的伤感图片
人累了和心累了的伤感图片
人累了和心累了的伤感图片
为你推荐
和平精英呆男重磅来袭黄金风衣免费返场
王子文亮相直播间上热搜,复古的盘发衬托得她年轻不少,衣服不再是黑灰
8个月的宝宝,腿上有一块血管瘤?姐妹们,帮忙看一下,有变化了!
太阳队的锅只有一个人能背战绩低于预期外部因素也关键
德云社集体霸气出场真的是太帅了可谓是最强男子天团
红军红军战士简笔画图片转自苏军吧苏联红军宣传画还有高清墙纸部分
厂家批发加厚黑色复古炭烧火烧木实木松木方桌碳化餐桌凳八仙桌椅
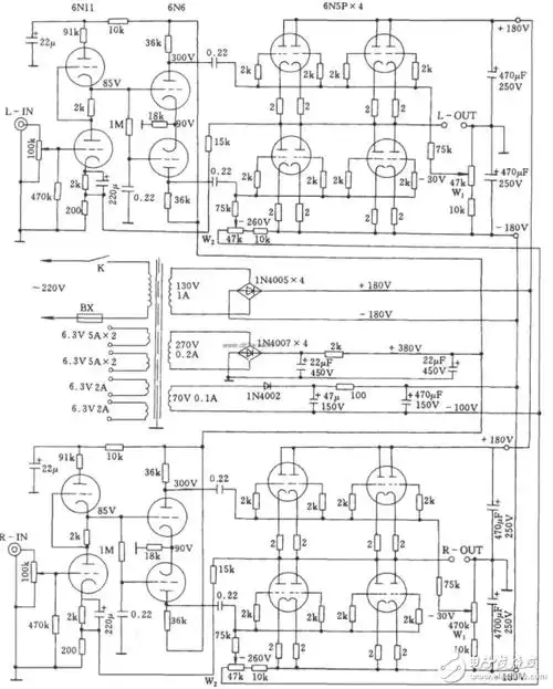
简易电子管功放电路图大全(6p3p da2822mc-2756n5p电子管)