图知网
搜索
首页
热门推荐
图片分类
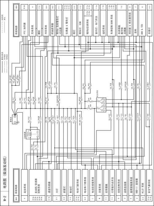
一汽青岛悍威国四电路图
下载原图
相关图片
一汽青岛悍威国四电路图
汽车维修电路图 免费下载
欧曼etx系列重卡电路04
重汽豪沃电路图手册 重汽豪沃保险盒电路图
2016款一汽解放j6m j6l卡车电路图册
欧曼etx系列重型汽车全车电路图
为你推荐
明星 头像 刘诗诗 女生
【恐龙战队:能量之战】 全角色超必杀技
邢台圆通快递不送件理赔40元
记录📝张家口第一次野餐
光遇下个路口见谱子-下个路口见钢琴竖琴简谱分享-燕鹿手游网
小红书创始人兼ceo毛文超卸任公司法定代表人董事
超级宝贝jojo 手绘蛋糕 - 抖音
天蝎座:天生心机重?满腹猜疑爱报复又毒舌?这么想你就错了