图知网
搜索
首页
热门推荐
图片分类
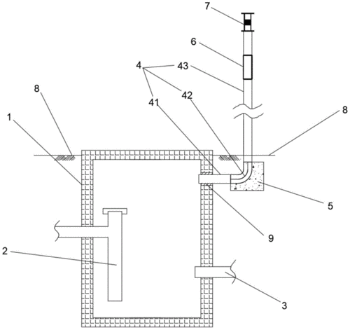
变压器集油坑的水封井
下载原图
相关图片
发两张水封井的图片
水封破坏动画演示
上海hb-b型截油排水阀
正负压水封工作原理
一种水封井的制作方法
水封井及隔油井大样图
为你推荐
井柏然 × 尼康代言人 尼康全新品牌代言人井宝上线
马字的草书怎么写,马的草书书法 - 爱汉语网
哪位大神帮忙看看,这哪里的钱,跟人民币汇率
犬夜叉云母
买来的新鲜荔浦芋头保存方法!
澎湃号·湃客_澎湃新闻-the paper
店长疯了法国一级庄红酒木桐酒庄葡萄酒 chateau mouton rothschild 1
景德镇手工陶瓷红色仿古鱼缸客厅酒店乌龟缸锦鲤缸书画缸庭院摆件