图知网
搜索
首页
热门推荐
图片分类
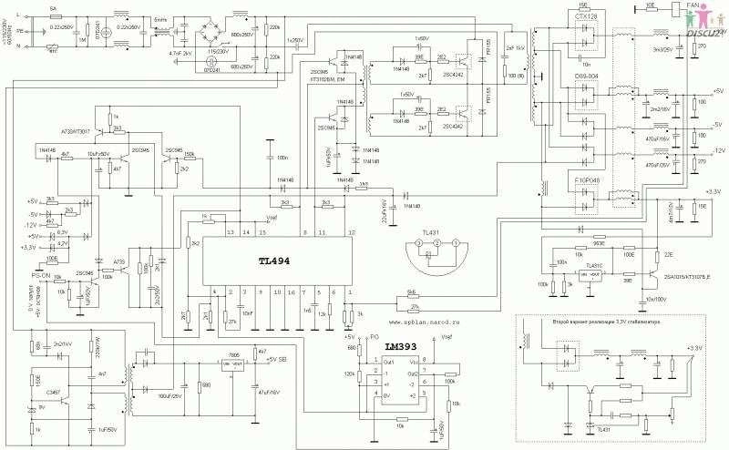
上面分两行标注着5 b1的红色二极管是什么管
下载原图
相关图片
开关电源的基本电路原理介绍
开关电源原理图01.jpg
开关电源实用电路图
9个开关电源(原理图,pcb,应用说明)实际项目分享,建议收藏!
开关电源原理讲解篇
电脑开关电源电路图大全
为你推荐
石膏像集 | 素描的高度_smdsart_声明_网络
发光特效蝴蝶装饰
李菁_邵逸夫_邵氏
越秀公园地铁站口
03是粉是金又是橙的少女感03香槟金仙女发色
大淘人折扣商城 文体 唐朝皇帝帽子 唐明皇帽子 武则天春秋战国唐朝
金童玉女一对年画双层立体贴画 门贴墙贴年货 过年春节装饰品01
prime1studio侏罗纪世界2失落王国迅猛龙blue布鲁16雕像