图知网
搜索
首页
热门推荐
图片分类
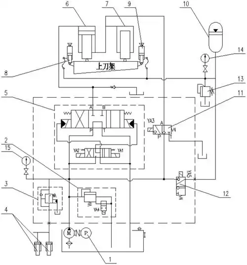
qc12,y一6/32oo液压摆式剪板机电路图
下载原图
相关图片
液压摆式剪板机控制回路故障分析与排除
液压剪板机电气原理图
不锈钢剪机控制电气线路图-专业自动化论坛-中国工控
数控切割机电路图
一种大型剪板机高效稳定液压系统
qc11y16 3200液压闸式剪板机设
为你推荐
《我们的蓝调时光》金宇彬,与申敏儿爱情长跑7年_康复_抗癌_李钟硕
张信哲老婆萧淑慎资料 张信哲结婚了吗
新年好吉他谱六线谱弹几品几,还有怎么看
(三)肾的构造
动漫t恤小埋专场
美食图片欣赏——川北凉粉|川北|凉粉|美食_新浪新闻
来重庆一定要坐的长江索道是夏天的味道78
色盲测试你完全能看出数字算你厉害特别是最后一张