图知网
搜索
首页
热门推荐
图片分类
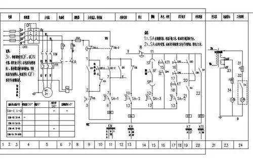
冲床电路接线图
下载原图
相关图片
文档下载 所有分类 工程科技 电子/电路 > 冲床电气原理图u v w n km1
冲床通电后只关掉马达不关掉总电源是否用电
冲床冲压的自动送料装置设计【适合用于j23-100t冲床】【电机带动减速
冲床自动控制电路的制作方法
伟创ac80c-y冲床专用变频器应用案例
老式冲床电路接线图
为你推荐
卡帝乐鳄鱼cartelo轻奢品牌男士编织腰带弹力帆布皮带青年休闲时尚
阎王_纹身图案手稿图片_雕青堂的纹身作品集
七巧板可以组成38个平行四边形
广场石材铺装
九寨沟冰瀑 - 一针见穴-王友军
续 表2 ch3chch2ch2 ch3 - 异戊基
古代jianz.#画画 #儿童画用想象力看儿童画 #简笔画简 - 抖音
排烟天窗出现的问题以及解决办法?