图知网
搜索
首页
热门推荐
图片分类
亲爱的热爱的.佟年
下载原图
相关图片
头像 图片评论 0条 收集 点赞 评论 杨紫|亲爱的热爱的|佟
白边头像亲爱的热爱的佟年 杨紫侵权即删
杨紫佟年 头像 //亲爱的热爱的//禁二改
杨紫佟年小可爱图专楼(持更)
韩商言&佟年,李现&杨紫,亲爱的热爱的情头
亲爱的热爱的:佟年和韩商言的情侣头像,都进来给我收藏!
为你推荐
白敬亭# 侧脸 cr@伏啄时
汤姆猫头像人生啊这就是人生半点不由人
最便宜的汽车有哪些?-惠修网
【转载】国粹京剧脸谱免抠图〖唯美古典京韵人物素材
其它 童话之国-丹麦王国 写美篇"美人鱼"铜像位于丹麦首都哥本哈根朗
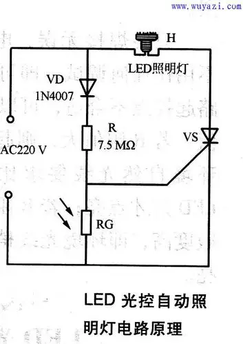
led光控自动照明灯电路原理图
温碧霞怀旧照片8_网易订阅
女生专用头像卡通背影图片可爱 女生头像合集(3)_布阁拉