图知网
搜索
首页
热门推荐
图片分类
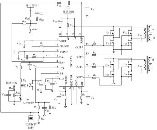
pwm直流电机调速器仿真图(直流pwm调速原理)
下载原图
相关图片
pwm电流控制电路
pwm控制mos管,我这样接可以吗
一种pwm开关稳压电源中控制电路的设计
风扇自动温度控制(pwm)电路!(多路保险)
pwm驱动直流减速电机
pwm脉宽控制,除了可以用来调速,还可以用来控制电磁线圈的磁力大小
为你推荐
权志龙难逃发福魔咒,金贤重"颜霸"跌成路人_婚礼_偶像_金在中
申请光厂帮我买单
中国明星♂—安悦溪 (225)
领武学校减肥心理学正念饮食真正能自然瘦的方法
超新星爆炸,时空立即在奇点周围形成一个区域,称为事件视界
王缸钵重庆老灶火锅牛蹄筋图片 - 第1073张
亲戚,不过是个利益共同体 - 简书
罗曼尼康帝酒园拉塔希干红葡萄酒latache法国原瓶进口红酒750ml红酒单