图知网
搜索
首页
热门推荐
图片分类
打人的霸气配图 霸气打人的配图_微信头像图片大全
下载原图
相关图片
打人表情包搞笑图片【点击鼠标右键下载】
暴漫gif熊猫人gif打人gif拍死你gif生气gifsoogifgifsoogif出品gif
组合 从小靠打架锻炼身体 胜者为王,一定会有一个强悍霸气的主儿
打人的霸气配图 霸气打人的配图_微信头像图片大全
打人的霸气配图 霸气打人的配图_微信头像图片大全
河源市区一帮人打架斗殴竟因喝酒之后互相看不顺眼
为你推荐
写真集97.我的大摄影师@i多多 #柯尔克孜 #美丽坏女人 - 抖音
有没有类似这种熊的壁纸?
有没有人帮做或者帮网上找一下用"我爱你"的文字组成的心形团 不要
国徽png素材透明免抠图片-标徽logo
陈启泰并没有真的去冒犯古天乐,只是在剧中扮演角色.
花朵变形图案
回形针图标
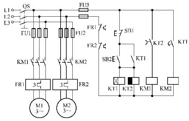
电动机延时开机的间歇运行电路